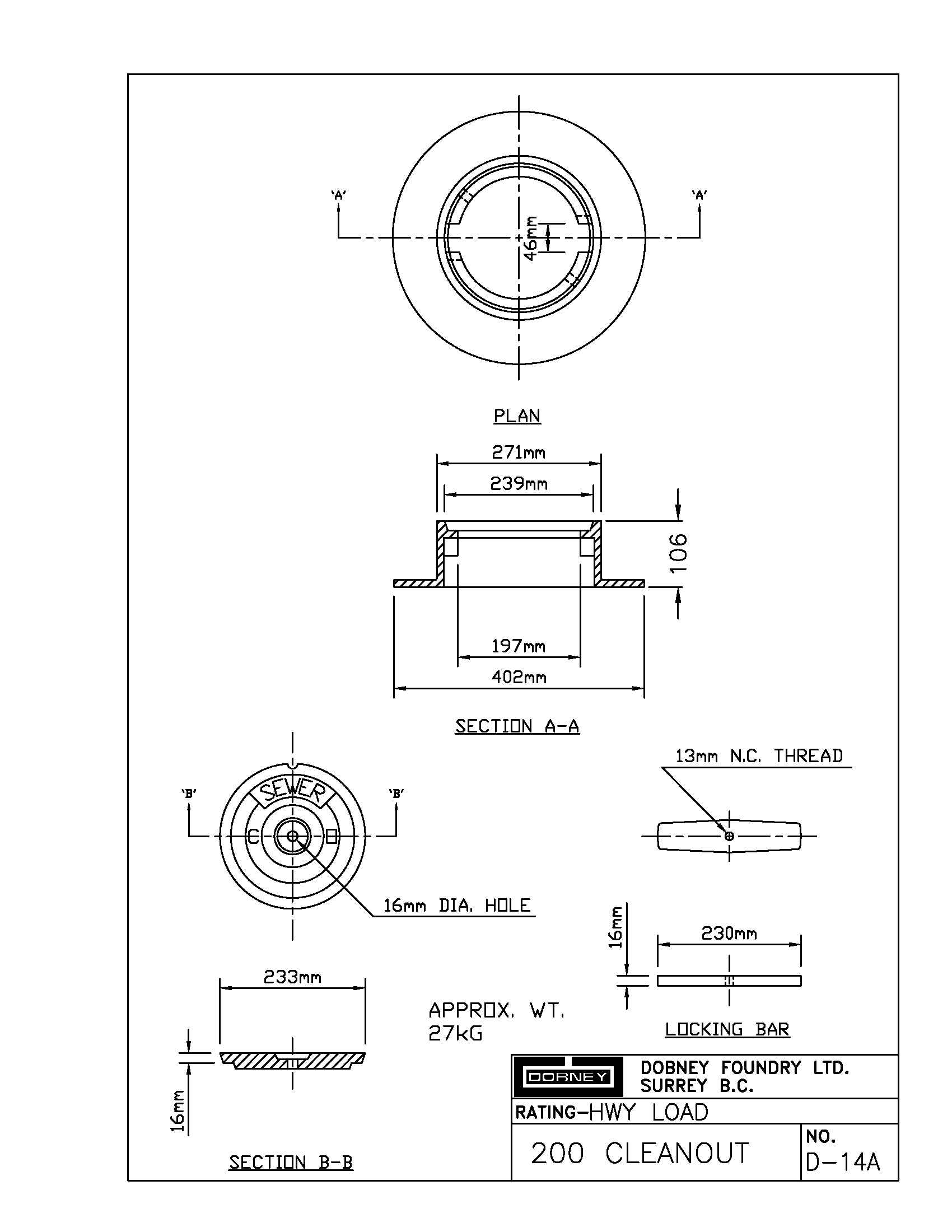
Valve Boxes & Service BoxesClick the product name to download a .pdf file of each product drawing. D-01 Telescopic D-05 Nelson Body D-05 Nelson Lid D-05 Nelson Locking Lid D-05A Nelson Riser Rings D-06 Body D-06 Lids D-06A Body D-14A 200mm Clean Out Set D-14C 250mm Clean Out Set D-15 Flat Top Set MR-6 - 12 Body MR-6 - 18 Body MR-6 Lids MR-8 Lid MR-8 Body MR-8 Locking Lid MR-10 Locking Lid - Sanitary MR-10 Locking Lid - Storm MR-10 - 18B Body No.37 Blank Lid No.37 Recess Touch Read Lid No.37 Touch Read Lid No.66 Blank Lid No.66 Touch Read Lid P-67 Blank - Revised Royal Driveway Box - Sewer T2-66 Lid Blank T2-66 Recess Touch Read Lid